User Tools

Site Tools


robots:hako:hardware:wirering

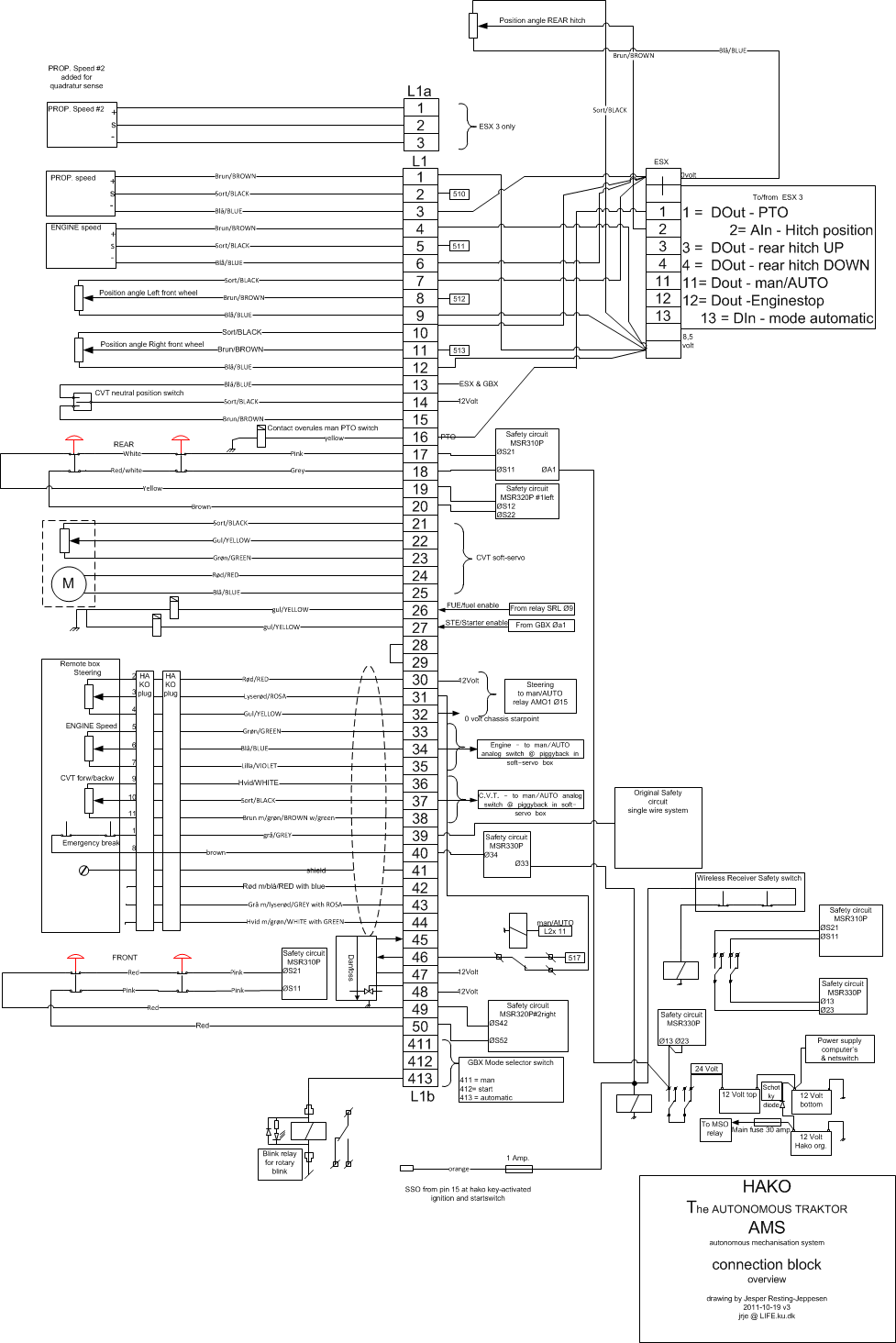
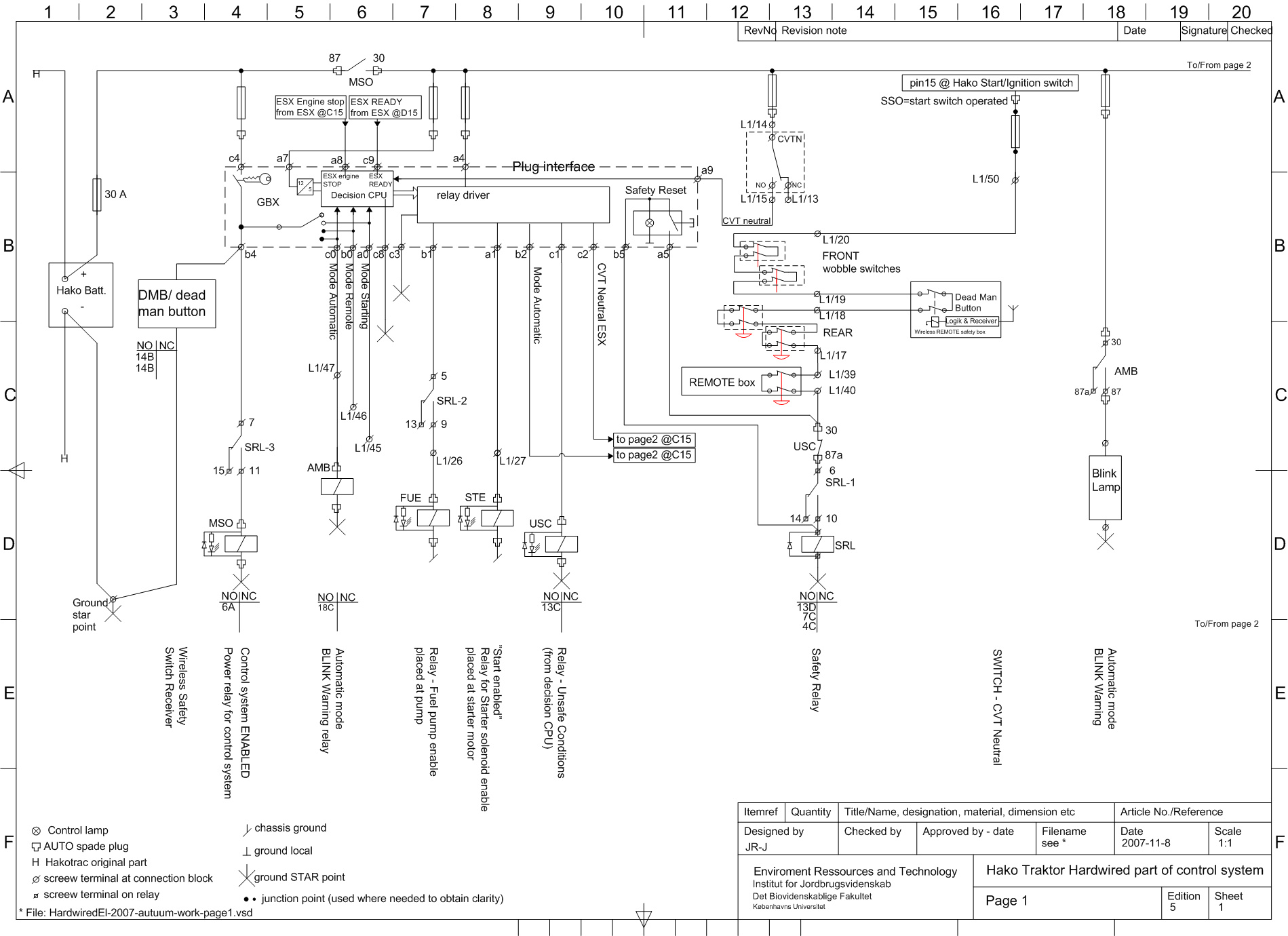
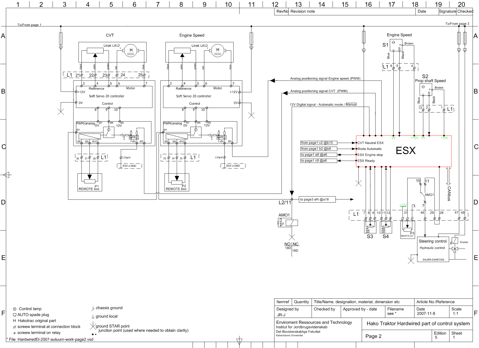
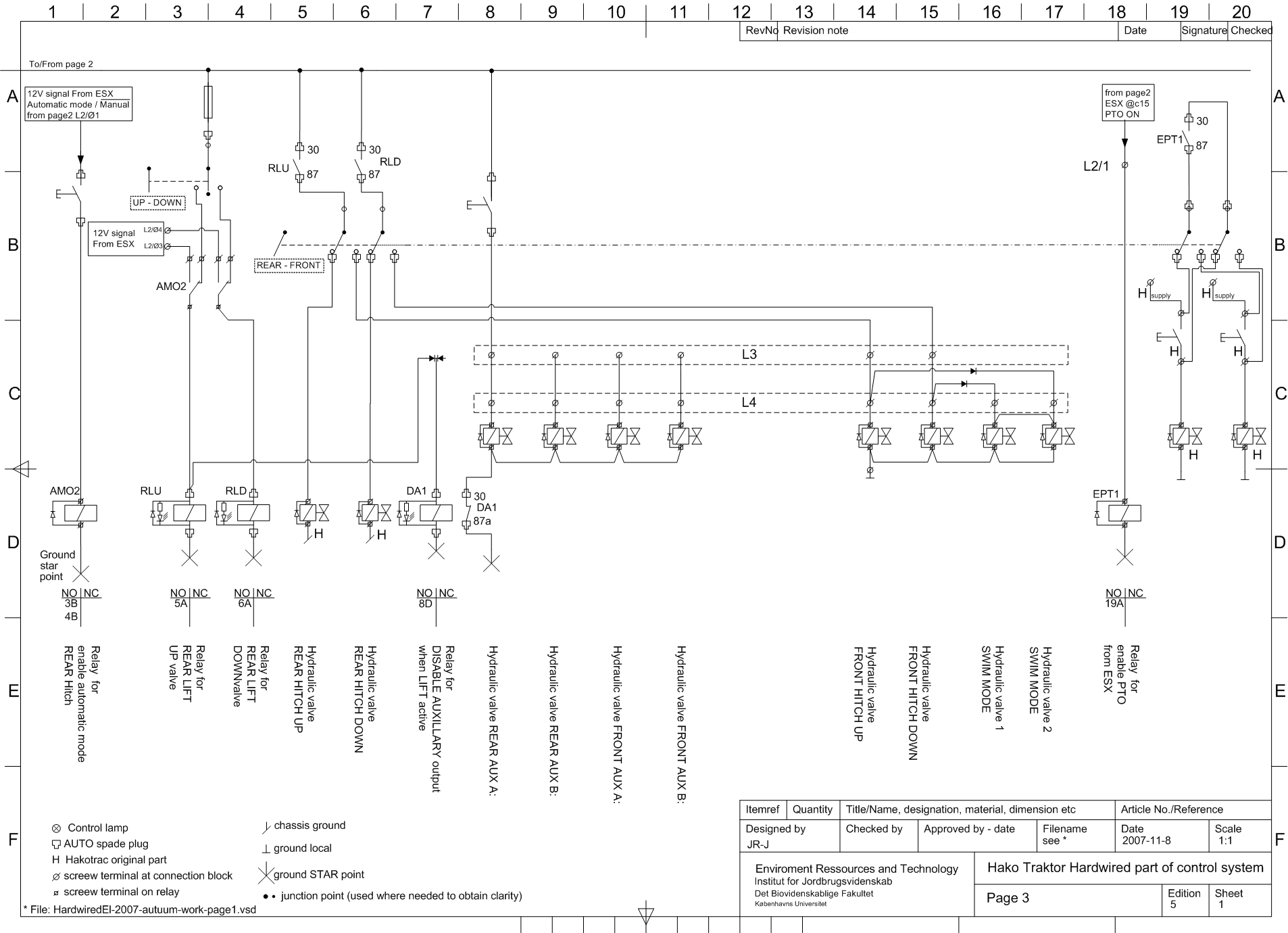
Hako Wirering

Here is an overview of the wirering on the Hako. The traficlight for Argri-Technica is not on the wireringdiagrams yet.
Download diagram of basic wirering (1.6 MB)

Sourcefiles for wirering diagrams:
Click at the diagrams to see the original size.

Wirering Diagram page 1

Wirering Diagram page 2

Wirering Diagram page 3

Wirering Diagram Terminal Block

robots/hako/hardware/wirering.txt · Last modified: 2021/08/14 04:21 (external edit)